{{ 'fb_in_app_browser_popup.desc' | translate }} {{ 'fb_in_app_browser_popup.copy_link' | translate }}

{{ 'in_app_browser_popup.desc' | translate }}

商品庫存變動快速,難免庫存不同步,建議購買之前先詢問貨況

經營超過20年的改裝老字號,安全有保障

商品庫存變動快速,難免庫存不同步,建議購買之前先詢問貨況

經營超過20年的改裝老字號,安全有保障

商品庫存變動快速,難免庫存不同步,建議購買之前先詢問貨況

Your Shopping Cart is empty.
{{ (item.variation.media ? item.variation.media.alt_translations : item.product.cover_media.alt_translations) | translateModel }} {{ (item.variation.media
                    ? item.variation.media.alt_translations
                    : item.product.cover_media.alt_translations) | translateModel
                }}
{{ 'product.bundled_products.label' | translate }}
{{ 'product.bundle_group_products.label' | translate }}
{{ 'product.buyandget.label' | translate }}
{{ 'product.gift.label' | translate }}
{{ 'product.addon_products.label' | translate }}
{{item.product.title_translations|translateModel}}
{{ field.name_translations | translateModel }}
  • {{ childProduct.title_translations | translateModel }}

    {{ getChildVariationShorthand(childProduct.child_variation) }}

{{ 'product.set.open_variation' | translate }}
  • {{ getSelectedItemDetail(selectedChildProduct, item).childProductName }} x {{ selectedChildProduct.quantity || 1 }}

    {{ getSelectedItemDetail(selectedChildProduct, item).childVariationName }}

{{item.variation.name}}
{{item.quantity}}x NT$0 {{ item.unit_point }} Point
{{addonItem.product.cover_media.alt_translations | translateModel}}
{{ 'product.addon_products.label' | translate }}
{{addonItem.product.title_translations|translateModel}}
{{addonItem.quantity}}x {{ mainConfig.merchantData.base_currency.alternate_symbol + "0" }}
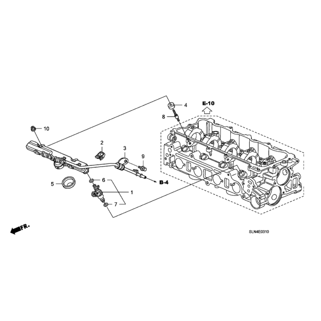
View All / HONDA 原廠部品 FIT2 噴油嘴
HONDA 原廠部品 FIT2 噴油嘴

HONDA 原廠部品 FIT2 噴油嘴

NT$99,999
{{shoplineProductReview.avg_score}} {{'product.product_review.stars' | translate}} | {{shoplineProductReview.total}} {{'product.product_review.reviews' | translate}}
{{amazonProductReview.avg_rating}} {{'product.product_review.stars' | translate}} | {{amazonProductReview.total_comment_count}} {{'product.product_review.reviews' | translate}}
預購商品,歡迎私訊或來電確認交期:02-2293-1348
Quantity Product set quantity
Add to Wishlist
products.quantity_limit99999
This quantity is invalid, please enter a valid quantity.
SOLD OUT

Not enough stock. Your item was not added to your cart.

Not enough stock. Please adjust your quantity.

{{'products.quick_cart.out_of_number_hint'| translate}}

{{'product.preorder_limit.hint'| translate}}

Limit -1 per order.

{{'products.quick_cart.quantity_of_stock_hint'| translate : {message: quantityOfStock} }}

Please message the shop owner for order details.
Add to Wishlist
Description

此售價不含安裝,有施工需求歡迎來電詢問:02-2293-1220


🔽🔽🔽溫馨提醒,詳細閱讀完畢, 請特別注意🔽🔽🔽 

本公司在2003年時已投入汽車改裝產業的領域, 

至今已有二十幾年歷史,

更有自己的YT頻道、FB粉專業:明水自動車, 


★本公司貨源是自辦進口,絕非來路不明的仿冒品★ 

◆對產品有疑慮歡迎直接來電,有專人為您答疑◆ 

👉聯絡專線:02-22931220 

👉實體店面:新北市五股區新五路二段121號 

👉也歡迎直接私訊聊聊,我們會儘速解決您的疑惑

Shipping & Payment

Delivery Options

  • 順豐速運
  • Family Mart Pickup and pay in store (C2C)
  • Family Mart Pickup only (C2C)
  • 7-11 Pickup only (C2C)
  • 7-11 Pickup and pay in store (C2C)
  • 門市自取
  • 新竹物流 - 常溫

Payment Options

  • Bank Transfer_SHOPLINE Payments
  • Specific Credit Card Types
  • Apple Pay
  • zingala - BNPL by Chailease
  • Bank Transfer
  • Pay on Family Mart Store Pickup (C2C)
  • Pay on 7-11 Store Pickup (C2C)
Customer Reviews
No review for this product

Related Products